- Início
- APRESENTAÇÃO
- AUTOMAÇÃO DE ESTACIONAMENTOS
- FONTES ALTERNATIVAS DE ENERGIA
- DEFINIÇÃO DE AUTOMAÇÃO
- DEFINIÇÃO DE ELETRÔNICA
- A evolução da Eletrônica
- Medidas Eletrônicas
- Algebra Booleana ou Algebra de Boole
- Mapas de Karnaugh
- RFID
- Transistor
- Diodo Semicondutor
- Microcontroladores
- Arduino
- Técnologia SMD
- Memórias
- Sistemas de Numeração Conversão entre bases
- MATERIAIS PIROELÉTRICOS E PIEZOELÉTRICOS
- ESCOLHENDO O MELHOR MULTÍMETRO
- A NORMA RS232C PARA PORTAS SERIAIS
- ALÁLISE DE UM EQUIPAMENTO POR ETAPAS
- Mural de recados
- Contactos
ALÁLISE DE UM EQUIPAMENTO POR ETAPAS
Quando um equipamento eletrônico apresenta defeitos, o procedimento correto é fazer o diagnóstico por etapas. Analisando o percurso de um sinal num circuito, etapa por etapa, podemos chegar ao ponto em que se encontra o problema, testando então os componentes que podem estar com defeito. Este artigo é uma pequena amostra do que você vai encontrar no livro Conserte Tudo de nossa autoria.
Existem alguns procedimentos básicos na análise de equipamentos eletrônicos que valem para qualquer tipo de aparelho. Estes procedimentos são usados na análise dos equipamentos, na utilização de instrumentos e na detecção de falhas de componentes.
É conveniente que o leitor se familiarize com estes procedimentos, se pretende adquirir prática maior na reparação. Caso contrário, poderá consultá-los apenas no momento de dúvidas ou quando precisar deles.
Evidentemente, os procedimentos que descrevemos não são definitivos, e até admitem variações. A maneira de os expormos aqui é função da necessidade de transmitirmos um conhecimento imediato para a solução de problemas que possam ocorrer com um aparelho que não funcione da maneira esperada.
ANÁLISE POR ETAPAS
Para facilitar a análise de qualquer aparelho eletrônico fazemos sua divisão por setores ou etapas. Cada setor ou etapa reúne um certo número de componentes de funcionamento mais ou menos independente e exerce uma certa função dentro de um aparelho eletrônico. Conhecendo a função da etapa fica mais fácil descobrir quando alguma coisa anormal ocorre com o funcionamento do aparelho.
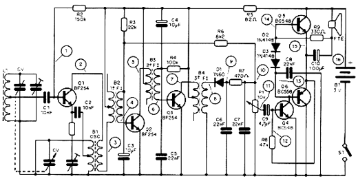
Na figura 1 temos um rádio comum transistorizado com pontos de análise dos sinais. Cada transistor corresponde a uma etapa. Do ponto 1 ao 8 temos sinais de RF e do 8 ao 16 temos sinais de áudio.

O componente central de uma etapa normalmente é um ou mais transistores ou então um circuito integrado. Em torno deste elemento ligam-se resistores, capacitores, diodos, transformadores e outros componentes que podem ter as seguintes funções:
a) Acoplar os sinais, ou seja, permitir a passagem do sinal de uma etapa para outra como, por exemplo, transformadores e capacitores.
b) Polarizar a etapa, ou seja, fornecer tensões contínuas aos diversos elementos ativos como transistores e circuitos integrados. Os resistores são os componentes mais usados nesta função.
c) Desacoplar sinais, ou seja, desviar sinais indesejáveis para a terra, sendo usados normalmente capacitores para esta finalidade.
Quando nos referirmos a uma etapa de um aparelho isso significa um determinado setor de um equipamento que pode exercer uma das seguintes funções:
* Fonte de alimentação - sendo formado por componentes como um transformador (nem sempre presente), diodos retificadores, capacitores, resistores e eventualmente transistores, diodos zener e circuitos integrados reguladores de tensão. Nas fontes chaveadas, como as usadas em computadores, podemos encontrar osciladores com FETs, SCRs e outros componentes.
* Pré-amplificador de áudio - consistindo em um ou mais transistores, resistores de polarização, capacitores que operam com sinais de baixas freqüências e dependendo do aparelho, circuitos integrados especiais para esta função.
* Driver ou impulsor de áudio - consistindo em transistores, transformadores, capacitores e resistores que "empurram" o sinal de áudio amplificado para a saída de rádios, amplificadores e outros aparelhos. Esta função pode ser encontrada em circuitos integrados juntamente com outras.
* Saída de áudio - é a etapa imediatamente anterior ao fone de ouvido ou alto-falante de qualquer aparelho que tenha estes elementos. Pode ser formada por um ou mais transistores ou ainda um circuito integrado.
* Oscilador de RF ou misturador - etapa que é encontrada em rádios AM e FM e opera com transistores de altas freqüências além de bobinas e capacitores comuns e variáveis além de resistores. Em muitos rádios esta etapa está incorporada a um circuito integrado.
* Amplificador de FI ou freqüência intermediária - etapa que amplifica sinais de altas freqüências tendo por base transistores e em alguns casos circuitos integrados, bobinas de FI, filtros cerâmicos e componentes comuns como resistores, capacitores, etc.
* Detector - ponto de um receptor de rádio onde deixa de existir o sinal de alta freqüência para se encontrar apenas sinais de baixas freqüências ou áudio. Normalmente esta função é executada por um diodo semicondutor como elemento básico.
* Amplificador de vídeo - setor que usa transistores ou circuitos integrados e tem por função amplificador sinais que levam informações sobre a imagem a ser reproduzida num televisor ou num monitor de vídeo de computador.
* Amplificador de CC ou corrente contínua - etapa que emprega transistores ou ainda circuitos integrados que amplificam correntes contínuas.
* Inversor - oscilador de baixa freqüência que gera um sinal que, aplicado a um transformador, dá origem a uma alta tensão para alimentação de diversos equipamentos ou etapas. É encontrado nos flashes eletrônicos, no-brakes de computadores, fontes chaveadas de computadores e outros equipamentos, ignições eletrônicas, etc.
* Etapas lógicas - usam circuitos integrados especiais CMOS ou TTL e operam apenas com dois níveis de tensão (alto e baixo). Encontramos esta etapa em computadores, instrumentos digitais, calculadoras, etc.
Todas as etapas possuem, entradas e saídas que devem ser identificadas na análise de um equipamento. Para as etapas transistorizadas temos três possibilidades de acordo com a configuração em que estão ligados os transistores:
* Emissor comum - o sinal entra pela base do transistor e sai pelo coletor.
* Base comum - o sinal entra pelo emissor e sai pelo coletor.
* Coletor comum - o sinal entra pela base e sai pelo emissor.
Para as válvulas os elementos equivalentes são: grade = base; anodo = coletor; catodo = emissor.
Muitos circuitos integrados formam sistemas completos com diversas etapas possuindo assim uma entrada e uma saída, ou ainda diversas entradas e diversas saídas.
Temos como exemplo disso, circuitos integrados de amplificadores de áudio que contém amplificadores completos. Estes circuitos têm uma entrada ligada a uma etapa pré-amplificadora que está ligada internamente a uma etapa impulsora e que, por sua vez está ligada a etapa de saída, onde encontramos a saída que vai ser ligada a um fone ou alto-falante.
Diversos pinos adicionais correspondem à alimentação, elementos de polarização e desacoplamento além de outras funções.
Temos ainda amplificadores "classe D" que usam circuitos integrados muito complexos contendo até microprocessadores para programação de ganho, controle externos e muito mais que funcionam segundo princípios completamente diferentes.
Também existem os chamados "acoplamentos"diretos ou "Darlingtons" onde não existe uma separação entre as etapas pois elas estão interligadas por um fio comum. De qualquer maneira, sempre temos uma entrada e uma saída para o sinal.
A análise de uma etapa inclui dois tipos de procedimentos:
* Verificar se o sinal passa pela etapa e recebe o processamento esperado ou então se a etapa gera o sinal esperado.
* Medir tensões nos diversos elementos da etapa para verificar se estão corretas.














